Classes de amplificação
As maneiras do estágio de saída de um amplificador aplicar ganho de corrente foram classificadas pelo parâmetro da completeza desta corrente e agrupados. Essa classificação resulta nas classes de amplificação.
A ordem alfabética das classes analógicas A, B, AB e C denota a completeza do percurso da corrente em um dado dispositivo de potência (um transistor ou válvula isoladamente). Em outras palavras, olhando com um osciloscópio para um único transistor ou válvula de saída, quanto "mais completa" for a onda de corrente, comparada com a onda de tensão, mais próximo este estágio irá estar da Classe A e quanto menos completa for a corrente em relação a tensão, mais próximo ele estará da Classe C.
Importante também destacar que esta classificação não se aplica a todo o circuito do amplificador, mas apenas ao seu estágio de potência ou estágio de saída. Então devemos ignorar o restante do amplificador, como os estágios de pré-amplificação, de ganho de tensão, a fonte de alimentação, etc.
A principal razão pela qual existem tantas classes é basicamente uma: a redução do gasto de energia, ou a melhora da eficiência - desde sempre um dos parâmetros mais importantes em amplificação. Pode-se definir eficiência (η) (ou rendimento) como sendo o lucro (energia obtida na saída) dividido pelo investimento (energia aplicada pela fonte de alimentação). Um rendimento de 100% implica em obter a amplificação sem gerar absolutamente nenhuma perda (aquecimento), o que é claro, impossível. Portanto, desde os primórdios do áudio a meta sempre foi a de se aproximar, tanto quanto possível, de tal resultado ideal (rendimento de 100%);
Outro detalhe que deve ser observado é que a eficiência global (total, do começo ao fim, do plug AC ao falante) de um amplificador não dependerá apenas da eficiência do estágio de saída de áudio, mas também da eficiência da sua fonte de alimentação. Neste artigo iremos considerar apenas a eficiência do estágio de saída de áudio. Mas se quisermos encarar o amplificador como um todo, deveremos computar também a eficiência da sua fonte de alimentação. Isto é por definição a eficiência global, que poderá ser calculada multiplicando as eficiências separadas: ηGLOBAL = ηAMP x ηFONTE .
E quais são as Classes de Amplificação?
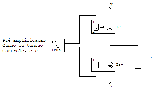
As classes "verdadeiras" ou fundamentais são poucas, somente cinco na verdade (A, B, AB, C e D), sendo que qualquer "outra classe" poderá ser reduzida a uma destas. Neste artigo vamos destacar a topologia tipicamente utilizada em áudio, denominada complementar. Nesta topologia existem dois elementos ativos responsáveis pelo ganho de corrente, Is+ e Is-. Estes elementos podem ser válvulas ou transistores de qualquer tipo. É chamando complementar porque dois dispositivos “empurram” a corrente alternadamente, um em sentido positivo e o outro no sentido negativo, de modo a se complementarem.

Figura 1 - um estágio de saída complementar genérico
Vale citar que tal estágio complementar não se aplica somente a áudio, mas a várias outras áreas, como acionamento de motores, servos-atuadores, transmissão de dados, transmissão de RF, etc.
As Classes FUNDAMENTAIS analógicas
As classes fundamentais analógicas A, B, AB e C se caracterizam por empregarem basicamente a mesma topologia, onde a polarização (ou BIAS) assumirá diferentes pontos. Podem ser realizadas com praticamente qualquer dispositivo ativo: válvulas, transistores bipolares, transistores JFETs, MOSFETs, IGBTs, etc. Em todas as classes analógicas os dispositivos de potência atuam como resistores variáveis ativos (ou, de modo mais rigoroso, como fontes de corrente).
CLASSE A: topologia que privilegia a qualidade do áudio, porém as custas de muitas perdas (muito aquecimento). Ela pode ser implementada tanto em topologia complementar como em topologia "single-ended" (apenas um dispositivo ativo). Foi a primeira topologia utilizável e largamente empregada desde os primórdios do áudio. Quase todos os estágios de saída de áudio construídos com válvulas em amplificadores e rádios empregavam essa topologia. O rendimento teórico (isto é: sem considerar as perdas dos dispositivos, transistores/válvulas) máximo alcançado pela classe A em push-pull complementar é de somente 50% (ou seja, 50% da energia fornecida é perdida na forma de calor). Infelizmente na prática, as perdas inerentes aos dispositivos (transistores, válvulas) pioram ainda mais esse cenário, reduzindo a eficiência a valores típicos de 20%.
► definição mais rigorosa: estágios de corrente não-complementares ou complementares em que a corrente circula em todos os dispositivos pelo ciclo completo do sinal (360o).
Se o estágio complementar da Figura 1 operar com transistores bipolares e for colocado em Classe A pelo acréscimo de uma grande quantidade de BIAS, as correntes nos dispositivos ficarão assim:

Figura 2 – as correntes em Classe A para um sinal senoidal - em verde Is+ e em azul Is-. Repare que as ondas são senóides completas. Para maior clareza as componentes DC foram removidas e a corrente de Is- foi tomada com a fase invertida
A "completeza total" da corrente faz com que cada um dos dois dispositivos estejam ativos o tempo todo, não havendo transição de um estado "on" para um estado "off". Essa é a característica mais marcante, bem como a origem da alta qualidade sonora da Classe A (e a origem da sua maior fraqueza também...)
CLASSE B: é o oposto da Classe A, ou seja, aqui a prioridade é o rendimento e não a qualidade do áudio. Pode parecer desinteressante, mas isso sempre foi muito importante. Imagine um caso em que o equipamento tinha que ser alimentado a baterias! A simples troca do estágio de saída de áudio de classe A por classe B poderia aumentar a duração da bateria em mais de 100% ! Portanto, tal classe, sempre teve uma grande importância. O rendimento teórico máximo obtido por ela é de 78,5%, uma boa melhora em relação a classe A. Porém, computando as perdas inerentes aos dispositivos, reduz-se a 50 - 60% na prática;
► definição mais rigorosa: estágios de corrente complementares e apenas complementares em que a corrente circula em todos os dispositivos por exatamente meio ciclo do sinal (180o).
Se o estágio da Figura 1 operar com transistores bipolares e for agora colocado em Classe B, através da remoção total do BIAS, as correntes nos dispositivos ficarão dessa forma:

Figura 3 – as correntes em Classe B para um sinal senoidal - em verde Is+ e em azul Is-. Repare que as ondas são meia senóides, levemente descontinuadas na passagem por zero
Veja que as correntes são bruscamente interrompidas um pouco antes da passagem por zero (pois neste exemplo os dispositivos são transistores bipolares). Esta abrupta descontinuidade cria as distorção típicas da Classe B, como a famosa distorção por "crossover", bem visível na Figura 3 em todas as passagens por zero. Estes problemas sempre serão mais significativos quanto menores forem os níveis do sinal.
CLASSE C: leva ao extremo a questão do gasto de energia. Devido a sua fidelidade ser pobre demais para o áudio, foi reservada aos estágios de saída de rádio-frequência dos transmissores de rádio.
► definição mais rigorosa: estágios de corrente não-complementares em que a corrente circula em todos os dispositivos por menos de meio-ciclo do sinal (<180o).
A Classe C nada mais é do que um estágio Classe B em que um dos dispositivos foi simplesmente retirado (Is+ ou Is- indiferentemente); obtendo-se o seguinte resultado para a corrente através do dispositivo (bipolar nesse caso):

Figura 4 – a corrente em Classe C para um sinal senoidal no dispositivo Is+ (o Is- foi retirado)
Obviamente com apenas um dos dispositivos conduzindo e por apenas meio ciclo, o resultado se torna imprestável para ser usado em áudio diretamente, mas muito útil para amplificar sinais que passaram por algum processo de modulação, como em transmissão AM ou FM. Isto combinado com o seu alto rendimento, que aproxima-se de 100%, explica o sucesso desta Classe para a transmissão de RF, e não apenas de sinais analógicos, mas inclusive de dados digitais (telefonia celular digital, por ex.). Porém o mais interessante para nós é que a Classe C "inspirou" o surgimento de algo bem mais revolucionário - a conferir mais adiante!
CLASSE AB: o "meio-termo" entre as Classes A e B. O objetivo é obter qualidade de áudio próxima a da Classe A, mas com um gasto de energia quase tão baixo como da Classe B. Talvez seja essa a “vencedora” de todas as classes analógicas, pois continua presente em quantidades significativas ainda hoje. Alguns autores, porém, não concordam que a Classe AB seja uma classe verdadeira. Em verdade, pode-se dizer que a Classe AB nada mais é que a Classe B levemente modificada, onde algum grau de polarização ou BIAS foi mantido, para que a corrente circule por um pouquinho a mais do que meio-ciclo, a fim de contornar as naturais imperfeições dos dispositivos (neste caso, transistores) e minimizar as distorções (distorção de crossover e harmônica). Por esse motivo, em alguns livros-texto mais tradicionais ela é omitida. O rendimento teórico da Classe AB se situa entre os 50% da Classe A e os 78,5% da Classe B. Na prática é comum obter valores muito próximos aos de amps Classe B (entre 50-60% incluindo os dispositivos);
► definição mais rigorosa: estágios de corrente complementares e apenas complementares em que a corrente circula em todos os dispositivos por mais de meio-ciclo (>180o) do sinal, porém menos de um ciclo completo (<360o).
Se o estágio complementar da Figura 1 operar com transistores bipolares e for colocado em Classe AB, pelo acréscimo de uma pequena quantidade de BIAS, as correntes nos dispositivos ficarão assim:

Figura 5 – as correntes em classe AB para um sinal senoidal - em verde Is+ e emazulIs-. Repare o “sumiço” da distorção de crossover
Um Resumo das Classes Fundamentais Analógicas
As classes fundamentais analógicas podem ser realizadas todas em uma mesma topologia complementar, simplesmente fazendo com que a corrente que percorre os dispositivos vá ficando cada vez mais completa. Em outras palavras: variando-se a quantidade de BIAS. Partindo da classe C (a menos completa), até alcançar a classe A (a mais completa), para a máxima excursão do sinal e com dispositivos ativos ideais, pode-se definir:
Classe C: a corrente circula por menos de meio-ciclo em um único dispositivo;
Classe B: a corrente circula por exatamente meio-ciclo em cada dispositivo;
Classe AB: a corrente circula por um pouco mais de meio-ciclo em cada dispositivo;
Classe A: a corrente circula pelo ciclo completo em ambos os dispositivos;
Já deixamos claro que o estágio complementar da Figura 1 pode assumir qualquer uma das quatro classes fundamentais analógicas, mediante a configuração de sua polarização inicial (BIAS); porém cumpre reforçar que o enquadramento em uma destas quatro classes é sempre feito para a máxima excursão de sinal, ou seja, para a sua respectiva potência máxima. Pois mesmo que ele esteja configurado para operar em Classe AB a sua potência máxima, a níveis suficientemente baixos ele irá operar em Classe A.
Em outras palavras, a transição de A para AB e de B para C (bastando desligar um dos dispositivos Is) é algo que ocorre naturalmente.
Os MODOS de OPERAÇÃO H e G
As classes fundamentais A, B e AB podem ser aperfeiçoadas com a introdução de alguns truques. Os mais bem sucedidos são os chamados Modos de Operação "classe H" e "classe G". Aqui as aspas são para nos lembrar que não se tratam de classes verdadeiras, mas “truques" para melhorar o desempenho de qualquer uma das classes fundamentais A, B ou AB. A preocupação dos modos H e G é aumentar a eficiência (rendimento), ou gerar menos calor, que é a mesma coisa - afirmamos no ínicio que isso era importante... lembram? O limite prático para o rendimento que um estágio classe H ou G pode alcançar é da ordem de 80-85%, a depender da sofisticação da solução e dos dispositivos escolhidos.
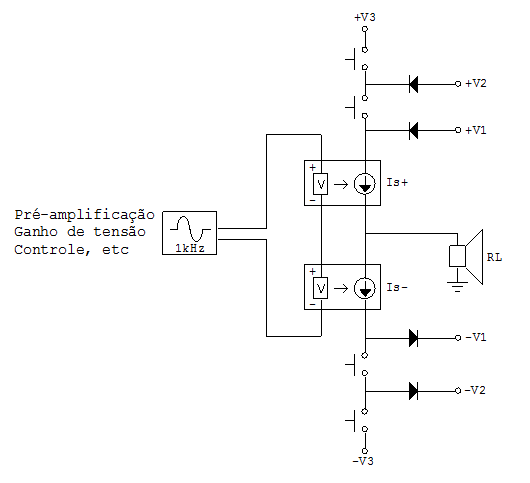
CLASSE H: consiste em se trocar a fonte de alimentação fixa por outra variável. Tal fonte variável alimenta um único estágio de classe fundamental A, B ou AB, que passa então a se chamar célula. A idéia básica é fazer com que a tensão de alimentação aplicada à célula varie (aumente e diminua) seguindo aproximadamente o sinal de áudio. Esse "acompanhamento" poderá ser feito por degraus ou linearmente. No passado isso era realizado por transistores, de modo totalmente analógico - porém recentemente passou a ser feito através de técnicas de fonte chaveada. Teoricamente quanto mais fiel for esse processo da alimentação “seguir o sinal de áudio”, maior será o rendimento do estágio de saída, sem uma grande perda de qualidade sonora.
► definição mais rigorosa: estágios de corrente complementares e apenas complementares classes A, B ou AB alimentados por uma fonte simétrica de tensão variável, onde esta tensão deverá seguir aproximadamente o percurso do sinal, em degraus ou continuamente.

Figura 6 – classe H com alimentador discreto de 3 estágios
A classe H obteve grande sucesso e muitos amplificadores o utilizam até hoje. Alguns exemplos clássicos de classe H são as Crest Audio CA-12 / CA-18 e as Ciclotron TIP3000 / TIP5000, que utilizavam tensões linearmente variáveis (por métodos analógicos). Já as QSC CX-702 / CX-902 e as Hotsound HS 3.0 / HS 5.0 o faziam por meio de “degraus” ou “estágios”. Recentemente a classe H passou por uma revitalização, com a introdução de técnicas de fonte chaveada nestas fontes de tensão variável. Os modelos mais conhecidos a adotarem esses processos modernos são as Labgruppen FP, FP+ e PLM e as Crown da linha XTi (exceto o modelo 6000/6002). No caso da Labgruppen a técnica foi denominada (pela empresa) de “classe TD”, em alusão a Tracking class-D, ou “seguindo a classe-D”. Ambos os exemplos consistem de um estágio classe H (com célula classe AB) com um alimentador bastante modernizado pelo emprego de técnicas chaveadas.
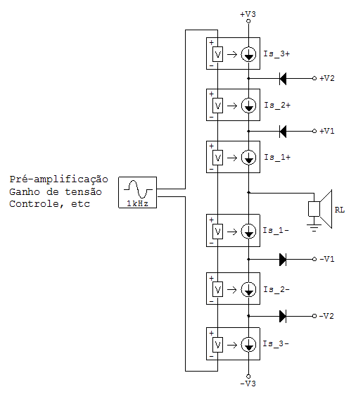
CLASSE G: é uma associação em série de células de qualquer uma das classes fundamentais A, B ou AB. Ao invés de uma única célula alimentada por tensão variável, como seria na classe H, na classe G utilizam-se várias células associadas em série, cada uma com uma tensão de alimentação fixa um pouco maior que a anterior. A ideia é fazer com que cada célula trabalhe em uma faixa de alimentação pequena e à medida que o sinal cresce e uma dada célula se aproxime da saturação, a seguinte assume e assim por diante, até a última. As vantagens obtidas por esse processo são totalmente similares às obtidas pela classe H de estágios discretos. Os amplificadores classe G mais conhecidos talvez tenham sido os antigos Gradientes “Super A”, cuja primeira célula era Classe A e as demais Classe AB;
► definição mais rigorosa: associação em série de estágios de corrente complementares e apenas complementares classes A, B ou AB. Cada etapa da associação é alimentada por uma dupla de tensões simétricas fixas ligeiramente mais altas que a da etapa anterior.

Figura 7 – classe G de 3 estágios
Observação: por não serem classes verdadeiras, os modos H e G raramente são citados nos livros-texto de eletrônica e são, fundamentalmente, iguais. Por isso, com freqüência as suas definições aparecem invertidas, conforme a publicação ou fonte consultada. As definições mostradas aqui seguem o padrão dos países europeus e asiáticos, mas se a fonte consultada for norte-americana, provavelmente elas estarão invertidas... ou seja: a topologia apresentada aqui como "classe H”, em uma referência americana provavelmente será apresentada como “classe G” e vice-versa.
ALÉM DO ANALÓGICO - CLASSE D
Radicalmente diferente das classes fundamentais analógicas, o amplificador Classe D resulta da “hibridação” entre técnicas de modulação e fontes chaveadas. Ela foi desenvolvida nos anos 1950 pelo pai do PCM, Dr. A. H. Reeves.
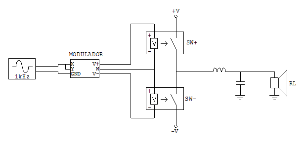
Acoplando um modulador (tipo PWM, por ex.) a um estágio de potência chaveado, obtém-se um grande ganho de potência a perdas muito baixas. Para separar o sinal de áudio original da portadora de modulação, utiliza-se a clássica técnica de filtragem passa-baixa, recuperando o sinal original, agora amplificado.
O “pulo do gato” da classe D reside no seu estágio de saída manipular somente valores discretos ou “quantizados”, como usualmente uma fonte chaveada o faz e através dessa troca – de processo linear para processo chaveado, os dispositivos de potência não mais atuam como “resistores variáveis”, mas como chaves. As perdas assim tendem a zero e passam a depender somente dos dispositivos escolhidos. Em princípio, agora nada impede que a eficiência desse estágio de potência alcance o nosso ideal de 100%. Na prática, com os transistores modernos de que dispomos hoje, podemos alcançar 95% ou até mais, com excelente qualidade de áudio.
► definição mais rigorosa: conversor chaveado tipo buck (abaixador de tensões) complementar simétrico, do tipo síncrono, onde o sinal de áudio faz o papel de "referência" de tensão.

Figura 8 – classe D
Curiosidade: como antecipado, a presença de um modulador acoplado a um estágio de saída chaveado revelam as origens da Classe D - justamente a "imprestável" Classe C !
Dos estudos originais do Dr. A. H. Reeves, muita coisa aconteceu, mas dois fatos se destacam:
- No final dos anos 1970 ocorreu a introdução massiva no mercado de dispositivos bem mais adequados aos processos de potência chaveados – os transistores de efeito de campo de porta isolada, ou MOSFETs. Este foi um divisor de águas, que finalmente tornou os amplificadores Classe D utilizáveis;
- A partir dos anos 1990 foram desenvolvidos novos processos de modulação, superiores ao PWM, como os PMC (phase-modulation-control), o sigma-delta/PDM (pulse density modulation) e outros.
Os amplificadores Classe D são, de longe, os mais complicados de se projetar e construir, se considerarmos potências equivalentes. Surge aqui o mesmo impasse observado na transição de fontes convencionais para fontes chaveadas. Este campo é multidisciplinar por natureza e o projetista terá que estar familiarizado com outras áreas da eletrônica além do áudio, como circuitos lógicos digitais, teoria da amostragem, magnetismo, interferência eletromagnética, eletrônica de potência chaveada, entre outras.

Figura 9 – exemplo de modulação sigma-delta (em azul) para um sinal senoidal de 20kHz (em verde)
Fazer a transição de amplificadores analógicos das classes fundamentais para a Classe D é em muito semelhante a fazer a transição de fontes convencionais para fontes chaveadas. De fato, um amplificador Classe D pode ser visto como um conversor chaveado tipo buck (ou abaixador, como é conhecido em eletrônica de potência) acoplado a um modulador. Ambos os campos, áudio classe D e fontes chaveadas estão fortemente ligados e muitas das técnicas que se aplicam a um se aplicam ao outro. O áudio classe D é hoje uma das áreas mais ativas da engenharia.
Classe D é digital?
Existe certa controvérsia a respeito, mas eu defendo que sim, pois os sinais que transitam por qualquer estágio de saída Classe D apenas podem assumir níveis discretos, se enquadrando perfeitamente na definição de circuito digital. Em outras palavras, o amplificador Classe D é, de maneira rigorosa, um circuito híbrido quando considerado do início ao fim (os estágios de pré-amplificação, modulação e reconstrução continuam sendo analógicos). Porém para se definir a classe de amplificação, como destacado no início, deve-se olhar apenas para o estágio de saída, e neste caso ele lida apenas com sinais de níveis discretos ou “digitais”. Portanto dizer que Classe D é “digital”, a meu ver é correto e não fere o rigor científico.
Porém, por mais incrível que possa parecer, a letra “D”, não foi escolhida por este motivo, mas simplesmente por vir na sequência de “C” (da Classe C).
E aquelas "classes estranhas" citadas por alguns fabricantes de amplificadores?
Surgiram recentemente várias denominações complementares (classe I, classe TD, classe K, etc). Mas todas elas derivam das classes fundamentais. Portanto, para fins de classificação, todas podem ser reduzidas as classes originais. Tais “criações” têm um cunho mais comercial do que científico e tal prática é passível de alguma crítica. Nenhuma destas é citada em livros-texto ou mesmo em Normas, portanto não podem ser consideradas como classes verdadeiras.
Aqui vamos "desvendar" qual classe fundamental está presente em cada um destes amps - tomamos como exemplo algumas marcas e/ou modelos que não esclarecem completamente quanto a classe utilizada:
- Crown Macro-Tech “antiga” (modelos mais potentes): classe H;
- Crown linhas iT, iT HD e Macro Tech-i (citada como “classe I”): classe D;
- Crown linhas Xti e XTi-2 (até a 4002): classe H, com alimentador chaveado;
- Crown XTi 6002: classe D;
- Crest Audio Pro Series (8002): classe H, com alimentador linear;
- LabGruppen linhas FP, FP+ e PLM (citada como “classe TD”): classe H, com alimentador chaveado;
Leitura/vídeos recomendados:
- Ben Duncan, “High Performance Audio Power Amplifiers”, Butterworth-Heinemann, 1998;
- Rosalfonso Bortoni, “Amplificadores de Áudio”, H. Sheldon Serviços de Marketing Ltda., 2002;
- Marcelo Barros, vídeo-aula, "O Amplificador de Potência do Século XXI" - vídeo de palestra ministrada na AES 2018
Veja aqui!






